Bàn cầu một khối Toto MS889CDRW12#XW kèm nắp rửa điện New Washlet đa chức năng, sử dụng men sứ chống dính, chống bám bẩn Cefiontect
Bồn cầu 1 khối là thế hệ sau của bồn cầu 2 khối. Là đàn em nên bồn cầu 1 khối tích hợp nhiều chế độ tuyệt vời như nắp êm, xả xoáy siêu sạch, công nghệ AquaCeramic chống bám bẩn. Tuy nhiên bồn cầu 1 khối có kích thước khá to nên bạn cần quan sát không gian vệ sinh nhà mình trước khi quyết định lựa chọn

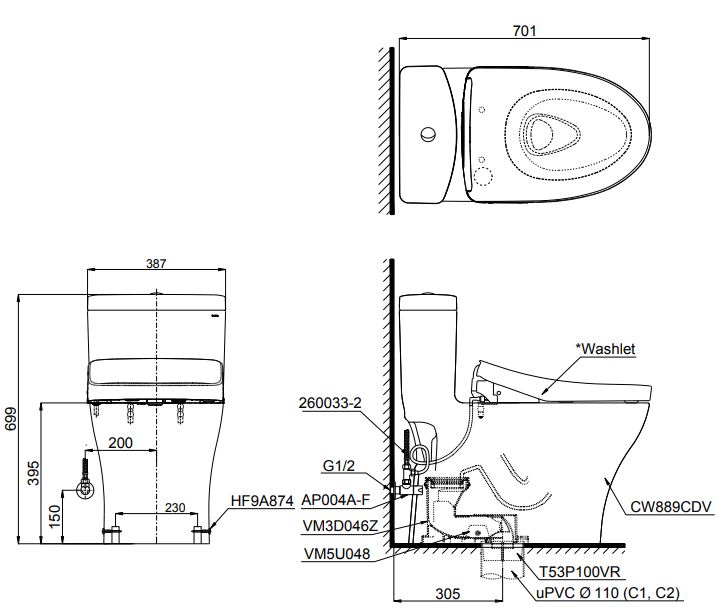
Thông số kỹ thuật bồn cầu nắp điện tử TOTO MS889CDRW12
- Bồn cầu nắp điện tử thông minh của thương hiệu thiết bị vệ sinh TOTO
- Tên sản phẩm: Bàn cầu một khối TOTO MS889CDRW12 - Bồn cầu TOTO nắp điện tử Washlet TCF4911EZ (220V)
- Thiết kế : Thân dài
- Hệ thống xả : Tornado
- Loại xả: 2 nhấn
- Lượng nước sử dụng: 4.5/ 3.0 (L)
- Áp lực nước sử dụng: 0.05 ~ 0.70 (Mpa)
- Tâm xả: 305 (mm)
- Mặt nước đọng: 105 x 143 (mm)
- Đường kính đường thải : 63 (mm)
- Kích thước (DxRxC): 701 x 387 x 699 (mm)
- Màu sắc: Màu trắng
- Bao gồm van khóa và gioăng đế
- Màu sắc: Màu trắng
- Bao gồm van khóa và gioăng đế
- Bồn cầu giấu dây
- Mã sản phẩm cũ: MS889CDW12
Tính năng bàn cầu thông minh TOTO MS889CDRW12#XW
- Nắp tự động đóng/mở khi cần sử dụng
- Có chức năng sưởi ấm nắp ngồi
- Tự động phun Ewater sương làm sạch lòng bồn cầu và vòi rửa bằng cách ngăn vi khuẩn đảm bảo vệ sinh
- 02 chế độ rửa trước, rửa sau massage linh hoạt, điều chỉnh vị trí vòi rửa
- Điều chỉnh nhiệt độ sấy, nước và bệ ngồi.
- Tính năng khử mùi được kích hoạt tự động
- Có bảng điều khiển từ xa (không dây) với 2 chế độ người dùng
Công nghệ thiết kế bệt TOTO MS889DRW12
- Thiết kế thân kín, vành kín tiện dụng cho việc vệ sinh hàng ngày
- Công nghệ CeFiONtect giúp lòng bàn cầu siêu nhẵn, hạn chế tối đa các vết bẩn, vi khuẩn
- Hệ thống xả xoáy Tornado êm, mạnh mẽ hiệu quả
Bồn cầu TOTO MS889CD W12 bao gồm
- Thân cầu: C889CDR - Xuất xứ: Việt Nam
- Nắp rửa điện tử: TCF4911EZ - Xuât xứ: Malaysia
Bản vẽ bồn cầu MS889 nắp điện tử TCF4911EZ TOTO

ĐANG CÓ KHUYẾN MÃI HẤP DẪN - ĐẶT HÀNG NGAY
- Cam kết hàng chính hãng 100%.
- Giá sản phẩm đã bao gồm 10% VAT theo luật thuế hiện hành. Xuất hóa đơn trong ngày.
- Miễn phí vận chuyển cho khách hàng. Xem thêm: Chính sách vận chuyển
- Thanh toán: Tiền mặt; cà thẻ Visa, Master, JCB (Miễn phí cà thẻ); trả góp 0% bằng thẻ tín dụng. Click xem chi tiết điều khoản thanh toán tại Bếp XANH
- Xem hàng tại nhà, không mua không sao.
ĐĂNG KÝ MUA HÀNG HOẶC TƯ VẤN SẢN PHẨM
SHOWROOM TRƯNG BÀY SẢN PHẨM
Tân Bình: 328 Hoàng Văn Thụ, Phường 4, Quận Tân Bình, TP. Hồ Chí Minh (Có chỗ đậu xe ô tô rộng rãi - Click xem chỗ đậu xe Quận 7: 566 Huỳnh Tấn Phát, Phường Tân Phú, Quận 7, TP. Hồ Chí Minh (Có chỗ đậu xe ô tô rộng rãi - Click xem chỗ đậu xe Tân Phú: 33 Dương Văn Dương, P. Tân Quý, Quận Tân Phú, TP. Hồ Chí Minh
Gò Vấp: 616 Phan Văn Trị, Phường 7, Quận Gò Vấp, TP. Hồ Chí Minh
Thủ Đức: Số 7 Lê Văn Việt, Phường Hiệp Phú, TP. Thủ Đức, TP. Hồ Chí Minh
Thông số kỹ thuật
Kích thước: 701D x 387W x 699H mmMàu sắc: Trắng
Hệ thống xả: Tornado
Lượng nước xả: 4.5L/3L
Thiết kế: Thân dài, thân kín
Tâm xả: 305 mm
Áp lực nước: 0.05 ~ 0.70 Mpa
Nguồn điện: 220V, 50/60Hz
Lưu ý: Bao gồm bích nối sàn, van dừng