.png)
Thông tin cơ bản của bàn cầu hai khối CS300DRW4:
- Thiết kế: Thân dài
- Hệ thống xả: Wash down
- Loại xả: Nhấn đôi
- Lượng nước sử dụng: 4.8L/3.0L
- Áp lực nước sử dụng: 0.05Mpa ~ 0.70Mpa
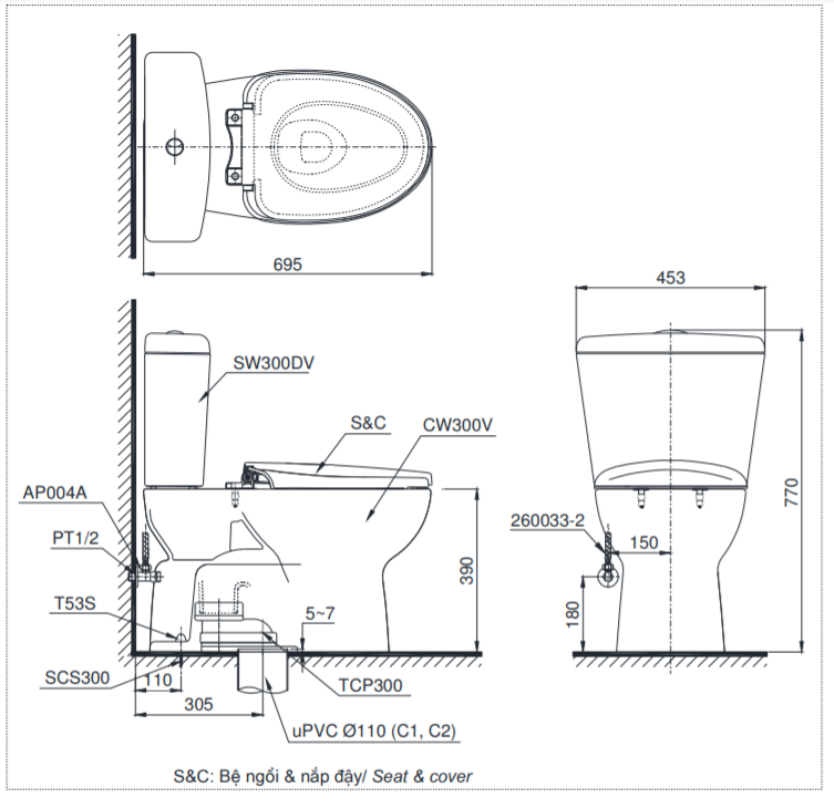
- Tâm xả: 305mm
- Mặt nước đọng: 165 x 130mm
- Đường kính đường thải: ∅53mm
- Kích thước: 695 x 453 x 770mm (dài x rộng x cao)
- Vật liệu: Sứ vệ sinh
- Màu sắc: Màu trắng
- Xuất xứ: Việt Nam
Đặc điểm của bàn cầu hai khối CS300DRW4:
- Thiết kế nguyên khối sang trọng, hiện đại
Thiết kế bồn cầu thân kín, vành kín tiện dụng cho việc vệ sinh hàng ngày
- Bề mặt nước rộng giúp ngăn mùi hiệu quả
- Công nghệ CeFiONtect giúp lòng bàn cầu siêu nhẵn, hạn chế tối đa các vết bẩn, vi khuẩn
- Công nghệ xả êm, mạnh mẽ hiệu quả
Thông tin cơ bản của nắp rửa điện tử NEW WASHLET TCF4731A:
- Thiết kế cho bồn cầu: Thân dài
- Áp lực nước: 0.05MPa ~ 0.75MPa
- Nguồn điện: 220V/50/60Hz 410W
- Vật liệu: Nhựa
- Màu sắc: Màu trắng
Tính năng của nắp rửa điện tử NEW WASHLET TCF4731A:
- Nắp tự động đóng/mở khi cần sử dụng
- Có chức năng sưởi ấm nắp ngồi
- Tự động phun Ewater sương làm sạch lòng bồn cầu và vòi rửa bằng cách ngăn vi khuẩn đảm bảo vệ sinh
- Hai chế độ rửa trước, rửa sau massage linh hoạt, điều chỉnh vị trí vòi rửa
- Điều chỉnh nhiệt độ sấy, nước và bệ ngồi.
- Tính năng khử mùi được kích hoạt tự động
- Có bảng điều khiển từ xa (không dây) với 2 chế độ người dùng
Bản vẽ thiết kế của bàn cầu hai khối, nắp rửa điện tử NEW WASHLET TCF4731A (220V):

Bàn Cầu Hai Khối ToTo CS300DRW4#W
328 Hoàng Văn Thụ, P.4, Quận Tân Bình, TP. HCM (Bản đồ)
(0283) 81 66666 info@bepxanh.com
Thời gian mở cửa: 8h - 21h (thứ 2 đến thứ Chủ nhật)
0915.235.445 | Hotline Tân Bình
0901.988.988 | Hotline Quận 7
0917.844.344 | Hotline Gò Vấp
0919.112.433 | Hotline Tân Phú
0946 325 533 | Hotline Thủ Đức
0915.431.433 | Hotline Mua sỉ
0915.431.433 | Hotline cộng tác viên
1800.6775 | Tổng đài miễn cước



Tìm Kiếm Phổ Biến

