Vòi chậu INAX LFV-1111S là mẫu vòi chậu nằm trong bộ sản phẩm sen, vòi 1100 Series mới nhất của INAX. Với thiết kế tinh tế, hiện đại, từng đường nét của sản phẩm mang lại sự sang trọng cho không gian lắp đặt. Sở hữu sản phẩm này bạn sẽ được trải nghiệm những công nghệ hoàn hảo nhất đến từ Nhật Bản.

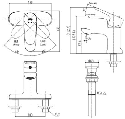
Thông số kỹ thuật sản phẩm

Đặc điểm của sản phẩm
Vòi chậu INAX LFV-1111S được thiết kế với kiểu dáng trang nhã, tinh tế giúp không gian lắp đặt trở nên sang trọng và vô cùng hiện đại
Đây là mẫu vòi chậu cao cấp có thể sử dụng được cả nguồn nước nóng và lạnh, đảm bảo đáp ứng được tối đa mọi nhu cầu sử dụng của người dùng.
Bề mặt vòi chậu INAX LFV-1111S được mạ lớp Crom/Niken sáng bóng, bền bỉ giúp bề mặt không bị ố, không bị bong tróc hay trầy xước trong quá trình sử dụng, phù hợp lắp đặt ở môi trường thường xuyên ẩm ướt, môi trường nhiệt đới ẩm gió mùa của Việt Nam
Van điều khiển của vòi được thiết kế bằng sứ có độ bền cao, chống rò rỉ nước trong mọi điều kiện áp lực nước từ thấp tới cao
Vòi phun được ẩn bên trong giúp mang lại sự sang trọng cho sản phẩm, dòng chảy được ứng dụng công nghệ trộn khí vào nước mang lại cảm giác dễ chịu, nâng niu làn da tay của bạn.
Thân vòi được kết cấu bền bỉ, vững chắc với chất liệu đồng có độ nguyên chất cao, giúp cung cấp nguồn nước nhẹ nhàng, êm ái và vô cùng sạch sẽ.
Lưu ý trong quá trình sử dụng nước nóng, thân vòi sẽ nóng ở mức nhiệt cao, vì vậy người dùng nên tránh không để da tác động trực tiếp vào vòi có thể gây ra những sự cố không mong muốn.
Khi điều chỉnh nhiệt độ của vòi, cần gạt tay gạt về phía nước lạnh, sau đó gạt từ từ trở về phía nước nóng để có thể điều chỉnh nhiệt độ nước nóng như mong muốn.

Vòi chậu Inax LFV-1111S
328 Hoàng Văn Thụ, P.4, Quận Tân Bình, TP. HCM (Bản đồ)
(0283) 81 66666 info@bepxanh.com
Thời gian mở cửa: 8h - 21h (thứ 2 đến thứ Chủ nhật)
0915.235.445 | Hotline Tân Bình
0901.988.988 | Hotline Quận 7
0917.844.344 | Hotline Gò Vấp
0919.112.433 | Hotline Tân Phú
0946 325 533 | Hotline Thủ Đức
0915.431.433 | Hotline Mua sỉ
0915.431.433 | Hotline cộng tác viên
1800.6775 | Tổng đài miễn cước



Tìm Kiếm Phổ Biến

