logo
 0
logo
 
  Trang chủ Thương hiệu TOTO SẢN PHẨM KHU CÔNG CỘNG TOTO THANH TAY VỊN TOTO

Thanh Tay Vịn ToTo T113HK7R/T110D17S

 
  • Thanh Tay Vịn ToTo T113HK7R/T110D17S Thanh Tay Vịn ToTo T113HK7R/T110D17S
  • Thanh Tay Vịn ToTo T113HK7R/T110D17S Thanh Tay Vịn ToTo T113HK7R/T110D17S
  • Thanh Tay Vịn ToTo T113HK7R/T110D17S Thanh Tay Vịn ToTo T113HK7R/T110D17S
  Mã SP: Toto T113HK7R/T110D17S
  Thương hiệu: TOTO
  Bảo hành: 2 Năm
  Tình trạng: Còn hàng
Tình trạng:
Hàng có sẵn
Thông tin vắn tắt
  •  Thanh Tay Vịn ToTo T113HK7R/T110D17S
  •  Loại: Gắn tường
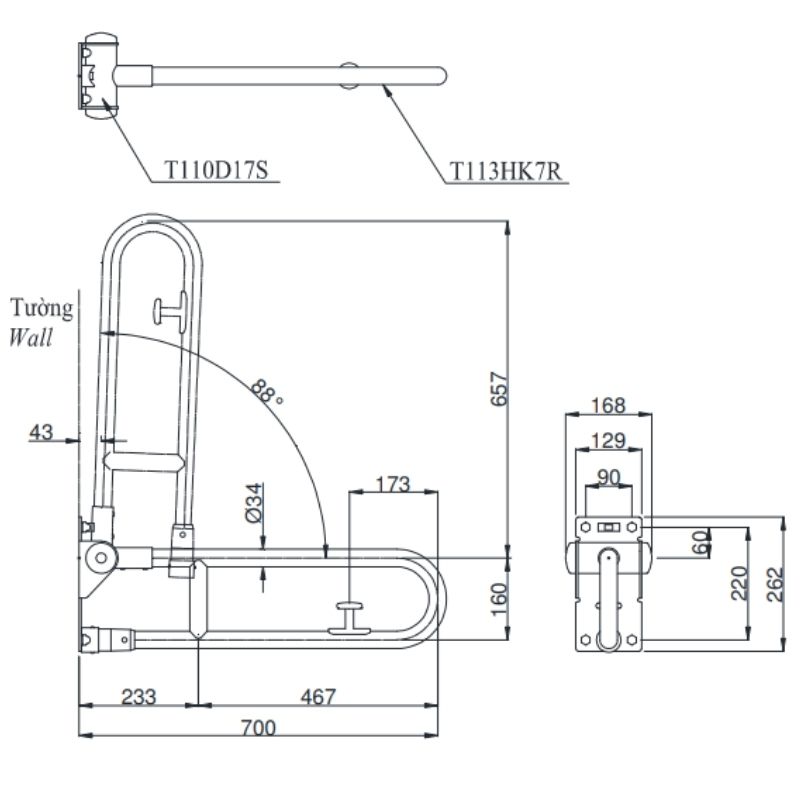
  •  Kích thước: 700 x 160 mm (φ34)
  •  Chất liệu: Thép không gỉ
Đang xử lý...
5 hệ thống showroom
Sản phẩm cùng mức giá
Thanh Tay Vịn ToTo T114HK7R#MLA/T110D17S
Sản phẩm cùng loại
Thanh Tay Vịn ToTo T113BU22/T110D3R(x4)
Thanh Tay Vịn ToTo TX3A1
Thanh Tay Vịn ToTo T113B6/T110D3R(x2)
Thanh Tay Vịn ToTo TX3A3

Thanh tay vịn TOTO T113HK7R/T110D17S - gắn tường chắc chắn, dễ sử dụng

Thanh tay vịn TOTO T113HK7R/T110D17S thiết kế gắn tường đơn giản, dễ lắp đặt và sử dụng, chất liệu thép không gỉ độ bền cao. Sản phẩm hỗ trợ tốt cho người già, người khuyết tật và phụ nữ có thai khi vệ sinh một cách thuận tiện và an toàn hơn. 

Chi tiết thanh tay vịn TOTO T113HK7R/T110D17S

Thiết kế gắn tường chắc chắn, dễ sử dụng

Thanh tay vịn TOTO kích thước 700 x 160mm (φ34) nhỏ gọn, phù hợp nhiều không gian trong gia đình hoặc khu công cộng

Thiết kế gắn tường chắc chắn giúp người dùng vịn và nâng cơ thể dễ dàng hơn. Sản phẩm ứng dụng tốt khi lắp đặt cho bồn tắm hoặc bàn cầu


Thiết kế dạng gắn tường chắc chắn, dễ sử dụng

Chất liệu thép độ bền cao, không gỉ dễ vệ sinh

Chất liệu thép không gỉ của TOTO T113HK7R/T110D17S có khả năng chịu lực, chịu nhiệt tốt, hạn chế gỉ sét hình thành trên bề mặt, giúp người dùng bám chắc, không bị trơn trượt khi sử dụng. Ngoài ra, bề mặt sáng bóng, chống bám bẩn tốt, giúp người dùng vệ sinh dễ dàng, hạn chế sử dụng hóa chất và các chất tẩy rửa.  


Bề mặt sáng bóng, bền chắc của thanh tay vịn TOTO

Chính sách bảo hành sản phẩm:

Thanh tay vịn TOTO T113BL9/T110D3R(x2) được bảo hành chính hãng 2 năm.

Kích thước thanh tay vịn TOTO T113HK7R/T110D17S:



Showroom trưng bày sản phẩm

ĐANG CÓ KHUYẾN MÃI HẤP DẪN - ĐẶT HÀNG NGAY

  • Cam kết hàng chính hãng 100%.
  • Giá sản phẩm đã bao gồm 10% VAT theo luật thuế hiện hành. Xuất hóa đơn trong ngày.
  • Miễn phí vận chuyển cho khách hàng. Xem thêm: Chính sách vận chuyển
  • Thanh toán: Tiền mặt; cà thẻ Visa, Master, JCB (Miễn phí cà thẻ); trả góp 0% bằng thẻ tín dụng. Click xem chi tiết điều khoản thanh toán tại Bếp XANH
  • Xem hàng tại nhà, không mua không sao.
 
ĐĂNG KÝ MUA HÀNG HOẶC TƯ VẤN SẢN PHẨM
refesh 
Gửi Yêu Cầu
Đang xử lý...

 
SHOWROOM TRƯNG BÀY SẢN PHẨM

 
Tân Bình: 328 Hoàng Văn Thụ, Phường 4, Quận Tân Bình, TP. Hồ Chí Minh (Có chỗ đậu xe ô tô rộng rãi - Click xem chỗ đậu xe
Quận 7: 566 Huỳnh Tấn Phát, Phường Tân Phú, Quận 7, TP. Hồ Chí Minh (Có chỗ đậu xe ô tô rộng rãi - Click xem chỗ đậu xe
Tân Phú: 33 Dương Văn Dương, P. Tân Quý, Quận Tân Phú, TP. Hồ Chí Minh
Gò Vấp: 616 Phan Văn Trị, Phường 7, Quận Gò Vấp, TP. Hồ Chí Minh
Thủ Đức: Số 7 Lê Văn Việt, Phường Hiệp Phú, TP. Thủ Đức, TP. Hồ Chí Minh 

Thông số kỹ thuật
Kích thước: 700 x 160 mm (φ34)
Chất liệu: Thép không gỉ
Loại: Gắn tường
Thanh Tay Vịn ToTo T113HK7R/T110D17S

Thanh Tay Vịn ToTo T113HK7R/T110D17S

Đang xử lý...
Đánh giá sản phẩm: Thanh Tay Vịn ToTo T113HK7R/T110D17S
 
 
 
 
 
Tags
Thông số kỹ thuật
Kích thước: 700 x 160 mm (φ34)
Chất liệu: Thép không gỉ
Loại: Gắn tường
 Trang chủ
 Danh mục
 Cửa hàng
 Gọi ngay
 Khuyến mãi