Sen tắm âm tường Inax BFV-81SEC là sản phẩm thiết bị vệ sinh cao cấp. Được thiết kế lắp đặt âm tường nên phòng tắm của bạn trông sẽ gọn gàng và sang trọng. Mẫu sản phẩm thiết bị vệ sinh này sẽ giúp bạn có được những trải nghiệm tắm thư giãn, thú vị.

Thông số kỹ thuật sen tắm âm tường Inax BFV-81SEC
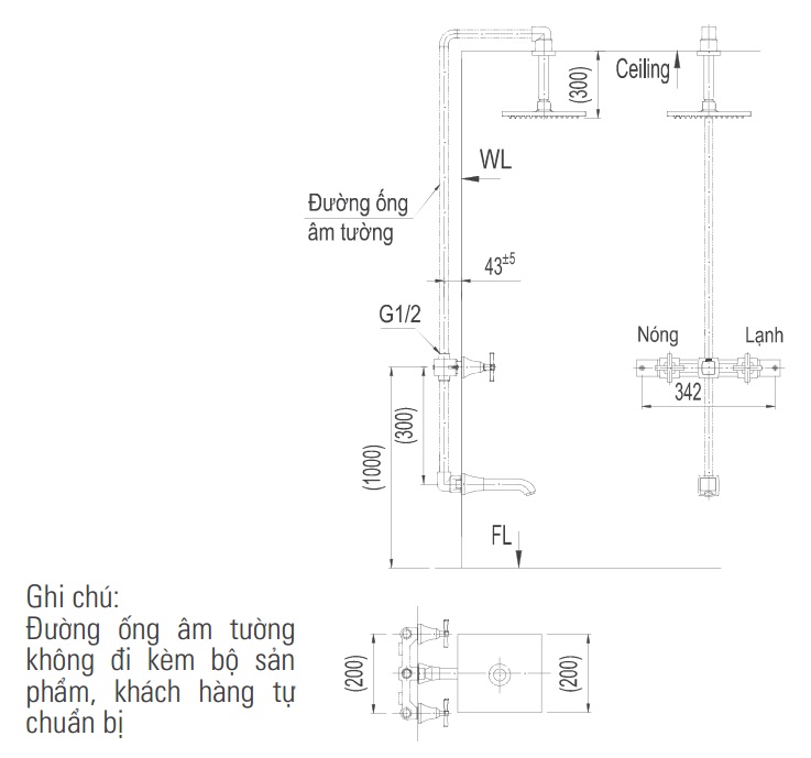
Mã sản phẩm: BFV-81SEC
Chất liệu: Thân van đồng thau
Áp lực nước: 0.15 MPa ~ 0.75 MPa
Lớp mạ: Lớp mạ Crom/Niken sáng bóng
Sản phẩm sử dụng nước nóng lạnh
Ghi chú: Đường ống âm tường không đi kèm với sản phẩm
Mô tả chi tiết sen tắm âm tường Inax BFV-81SEC
Sen tắm âm tường Inax BFV-81SEC được kết hợp từ các bộ phận: Bộ vòi gắn tường. bát sen gắn trần. Tất cả đều được làm từ công nghệ hiện đại nhất của Nhật Bản. Chất liệu đồng nguyên chất khác với những chất liệu thông thường khác. Đồng nguyên chất có độ bền vững chắc chắn và đặc biệt là an toàn với sức khỏe con người.
Lớp mạ Crom/Niken bên ngoài sáng bóng không chỉ giúp sản phẩm có hình thức sang trọng. Hơn thế nữa, lớp mạ tiêu chuẩn Nhật còn tăng cường độ bền chắc giúp sen tắm âm tường không bị han gỉ, chống bám bẩn, dễ vệ sinh.
Hình thức sen tắm vô cùng đẹp mắt, bộ phận vòi có thiết kế kiểu cổ điển. Đầu vòi cong kiểu cách. Vòi bên phải điều chỉnh nước lạnh, vòi bên trái điều chỉnh nước nóng đều được kết cấu bằng chất liệu cao cấp điều chỉnh dễ dàng, chính xác, tuổi thọ cao.
Bát sen trần hình vuông với các đường tia nước đều phun rửa mạnh mẽ và chống bám bẩn, dễ vệ sinh. Bát sen tạo nên những dòng chảy từ trên cao xuống giúp làm sạch cơ thể và mang đến cảm giác thư giãn tuyệt vời.

Sen tắm âm tường Inax BFV-81SEC